Металлорукава с фланцами

1. Гофротруба 2. Оплётка 3. Обсадное кольцо
4. Окончание металлорукава 5. Фланец

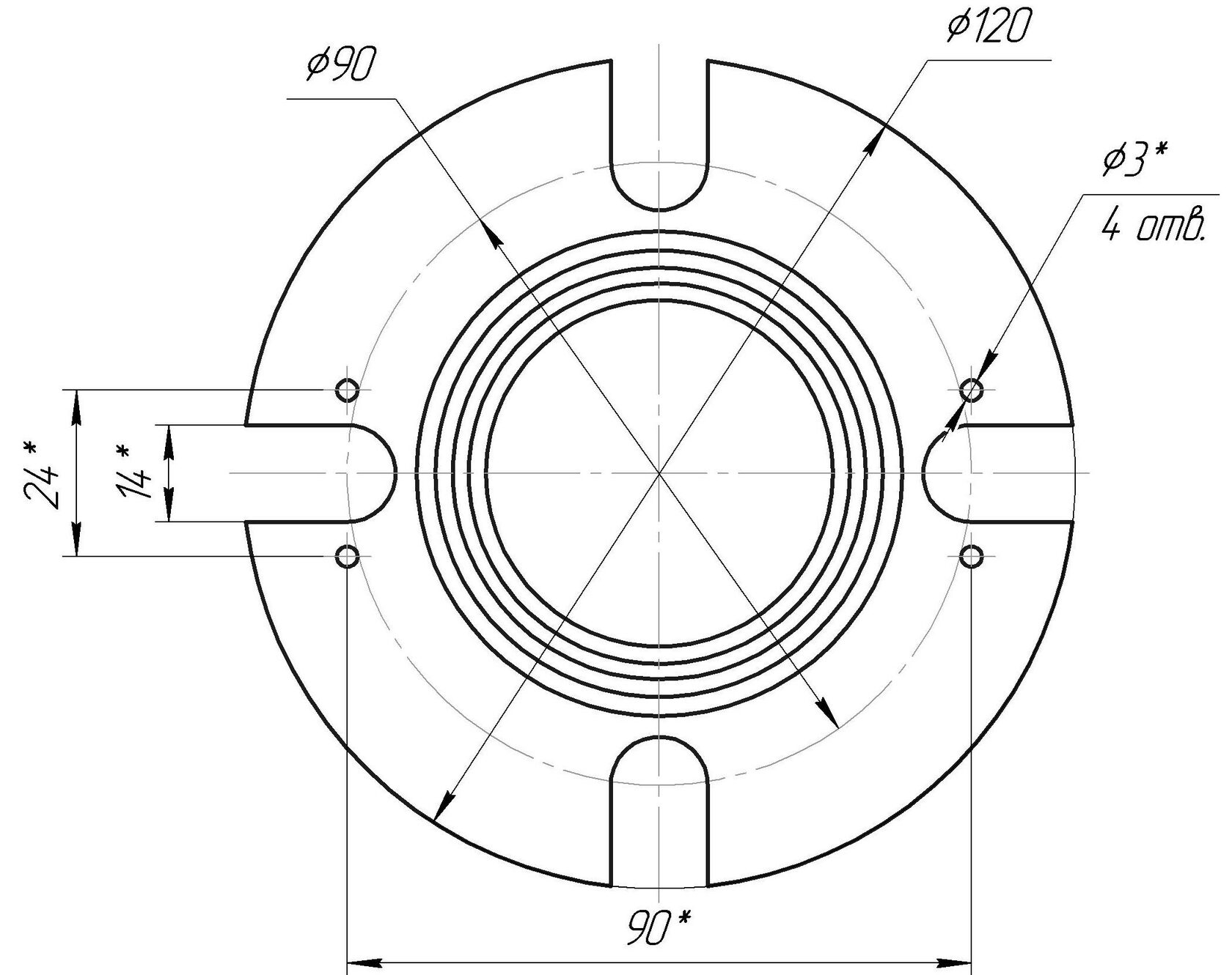
Металлорукава могут изготавливаться с фланцами по стандартам: ANSI, ASME, DIN (DIN28403, DIN28404), EN 1092-1, ГОСТ (ГОСТ 1536-76, ГОСТ 54432-2011, ГОСТ 4433-76, ГОСТ 28759.2-90, ГОСТ 33259-2015).
По области применения фланцы подразделяют:
- для судостроения: ГОСТ 1536-76, ГОСТ 4433-76
- для общепрома: ГОСТ 28759.2-90, ГОСТ 33259-2015, ГОСТ 54432-2011
- для криогенной промышленности: DIN28403, DIN28404
Описание:
От 6 мм до 300 мм
Диаметры:

Металлорукав с фланцами: надежность, типы и технические характеристики

Металлорукава с фланцевыми соединениями являются одними из самых востребованных элементов современных трубопроводных систем. Эта продукция предназначена для транспортировки жидкостей и газов в условиях высоких температур и при значительных давлениях. Благодаря своей конструкции, такие изделия обеспечивают герметичную и гибкую связь между узлами оборудования.

Конструкция и материалы изготовления

Типовой металлорукав представляет собой гофрированную внутреннюю оболочку, защищенную металлической оплеткой. Для стыковки с системой используются стальные фланцы, которые изготавливаются из качественных марок стали (в том числе нержавеющих для агрессивных сред).

Основные элементы конструкции:

  • Герметичный рвд (рукав высокого давления) или мрвд.
  • Концевая арматура: фланцы различных типов.
  • Уплотнительные кольца и поверхности под установку прокладок.
В зависимости от требований к монтажу, рукава комплектуются:
  1. Приварными жесткими фланцами.
  2. Свободными (вращающимися) фланцами на отбортовке, что значительно облегчает техническую процедуру стыковки.

Технические стандарты и исполнения

Вся продукция компании «Кондор Плюс» соответствует строгим критериям качества. Мы соблюдаем государственные стандарты (госты) и международные нормы. В процессе производства учитываются все требования к присоединительным размерам и рабочей среде.

Технические параметры:

  • Диаметры (Ду): от 6 до 350 мм и более.
  • Длины: производятся по индивидуальному заказу любой необходимой протяженности.
  • Исполнения: под плоскую поверхность или с выступом/впадиной.

Применение в промышленности

Фланцевые металлорукава используются во многих отраслях: от нефтехимии до пищевой промышленности. Они незаменимы там, где трубопроводы подвержены вибрации, тепловому расширению или смещению. Такие соединения обеспечивают долговечность всей арматуры и безопасность эксплуатации.

Почему стоит купить металлорукава у нас?

Наша компания обладает мощной базой по производству и предлагает высочайшее качество сборки. Мы поставляем продукцию как крупным промышленным компаниям, так и частному заказчику.

Преимущества работы с нами:

  • Цены напрямую от производителя.
  • Возможность поставки с ответными фланцами и крепежом.
  • Строгий контроль качества на всех этапах изготовления.
  • Помощь в экспертном выбору под конкретные условия эксплуатации.
Применение в промышленности
Фланцевые металлорукава используются во многих отраслях: от нефтехимии до пищевой промышленности. Они незаменимы там, где трубопроводы подвержены вибрации, тепловому расширению или смещению. Такие соединения обеспечивают долговечность всей арматуры и безопасность эксплуатации.
Не нашли нужную информацию?
Оставьте заявку на звонок от нашего менеджера